Chưa có sản phẩm trong giỏ hàng.
Ngõ ra PLC Delta có 2 loại là: * Ngõ ra số. * Ngõ ra tương tự. Trong các PLC có ngõ ra số thì được lại chia thành 2 loại nhỏ hơn là PLC ngõ ra Rơ-le và PLC Delta ngõ ra Transistor. Bài viết này công ty TNHH Tự Động Hóa Toàn Cầu......
Tổng hợp tài liệu Servo Delta bao gồm Catalogue, User’s Manual, Software do phòng kỹ thuật công ty Tự Động Hóa Toàn Cầu biên soạn và tổng hợp, đảm bảo đầy đủ và cập nhập mới nhất. Tham khảo thêm: Tài liệu biến tần Delta, Tài liệu PLC Delta, Tài liệu HMI Delta ASDA-A2 Series Servo Delta......
Tổng hợp tài liệu HMI Delta bao gồm Catalogue, User's Manual, Software do phòng kỹ thuật công ty Tự Động Hóa Toàn Cầu biên soạn và tổng hợp, đảm bảo đầy đủ và cập nhập mới nhất. ...
Giới thiệu về các dòng PLC và đặc điểm tính năng của chúng Tham khảo: Tài liệu lập trình PLC Delta I. ƯU ĐIỂM CỦA PLC DELTA DELTA ELECTRONIS là một tập đoàn điện tử xuyên quốc gia, hàng đầu thế giới của Đài Loan và sản phẩm Delta đã được phân phối ở 153......
Tham khảo: Tổng quan về PLC Delta, Tài liệu lập trình PLC Delta, Hướng dẫn lập trình Cũng giống như các PLC hãng khác, PLC Delta ngoài các bit M trung gian bình thường nó còn có một số Bit với chức năng đặc biệt Các bạn có thể Download tại đây: Các bit M đặc biệt......
Chi tiết từng bước về các Download chương trình xuống PLC và Upload chương trình từ PLC lên Công ty TNHH Tự Động Hóa Toàn Cầu xin gửi tới khách hàng Hướng dẫn Download / Upload chương trình PLC Delta bằng hình ảnh do công ty biên soạn và các bước thực hiện lần lượt như sau.......
Tham khảo: Tổng quan về PLC Delta, Tài liệu lập trình PLC Delta, Hướng dẫn lập trình Danh sách các thanh ghi có chức năng đặc biệt của PLC Delta mà các bạn có thể tham khảo Ví dụ một số thanh ghi đặc biệt của PLC Delta thông dụng hay dùng: Đang cập nhập …...
Nhằm giúp khách hàng mua sản phẩm PLC Delta + HMI Delta của công ty có thể nhanh chóng biết sử dụng sản phẩm, Công ty TNHH Tự Động Hóa Toàn Cầu xin gửi tới quý khách hàng “Hướng dẫn kết nối HMI Delta với PLC Delta“. Đây là bài viết của các kỹ sư......
1. PLC Slim DVP-S Series Đối với các PLC Delta kiểu dáng nhỏ gọn thì trên MPU (Main processor Unit) có số ngõ vào cao nhất là 16 (PLC DVP-28SV2) và số ngõ ra cao nhất là 12 (PLC DVP-28SV2). Tuy nhiên, trong thực tế nhiều bài toán yêu cầu chúng ta phải có nhiều......
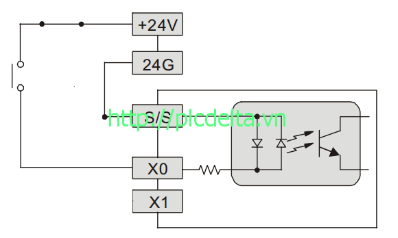
Ngõ vào PLC Delta nói riêng và các loại PLC khác nói chung đều có hai cách đấu dây ngõ vào số tương tự nhau (Digital Input). Sau đây, công ty TNHH Tự Động Hóa Toàn Cầu xin Hướng dẫn đấu dây ngõ vào số PLC Delta Đấu dây ngõ vào kiểu SINK Chân SS là......
Quý khách hàng vui lòng điền các thông tin bên dưới, Kỹ sư kinh doanh công ty sẽ liên hệ lại và hỗ trợ. Hotline 0912.067.830
Các trường được đánh dấu * là bắt buộc
Tên tài khoản hoặc địa chỉ email *
Mật khẩu *
Ghi nhớ mật khẩu Đăng nhập
Quên mật khẩu?
Tên tài khoản *
Địa chỉ email *
Đăng ký